空壓機系統案例

螺桿式空壓機低壓應用為:
1. 一組星三角啟動(三臺接觸器組合)控制螺桿馬達
2. 一臺接觸器用于控制風機馬達
3. 啟動頻度較低,只在開關機時進行開閉動作;運行期間并無開閉動作
活塞機一般采用一臺磁力啟動器進行直接啟動
啟動頻度為一小時數次
1. 起動電流約為穩定運行電流的6~6.6倍,起動時間500ms~1S.
2. 穩定運行電流實際上是一個交變值,交變周期約100ms,交
3. 變值范圍為+20%
4. 穩定運行時,未測到有接點跳躍(因波形雜訊較多,未截波形)
需防止用電環境惡劣,壓降或不良氣壓閥引起的接點燒損
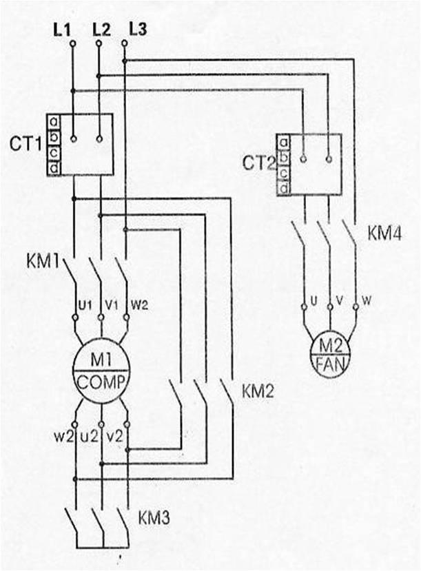
星三角接線圖:
運行接觸器KM1:CN-100
△接觸器KM2:CN-100
Y接觸器KM3: CN-65
啟動延時:100秒
星三角切換延時:6秒
電機功率:75KW,滿載電流:136A
現場實測使用條件:
進線電流:A: 123.3A B:129.8A C 124.4A
KM1運行電流In/√3: A: 72.4A B:72.1A C:70.2A
KM2運行電流In/ √3 :A: 69A B:72.2A C:70.2A
Y-△切換時KM2突波電流:5.42倍,370~390A(極大時可達13倍以上)
KM3起動電流:201A(依波形計算)
KM3穩達運行電流In/3:45.3A(依波形計算)
結論:
依所測得的接觸器負載電流判定,臺科以下組合可滿足此應用需求:
運行接觸器:CN-100H5
△接觸器:CN-100-H5
Y接觸器:CN-65-H5